Bosch Dishwasher Install Fascia Board
- Bosch Dishwasher Install Fascia Board On Brick
- Bosch Dishwasher Install Fascia Boards
- Installing Roof Fascia Board
The drying revolution is here. Explore our brand new collection of dishwashers.Introducing two revolutionary drying solutions. Our patented CrystalDry™ technology gets dishes 60% drier. while AutoAir™ opens the door at the end of the drying cycle to release moisture.Based on aggregate average drying performance of Bosch Dishwashers with CrystalDry on combined household load including plastics, glass, steel, and porcelain as compared to Bosch Dishwashers with PureDry. Drying performance may vary by dish type.

Bosch Dishwasher Install Fascia Board On Brick
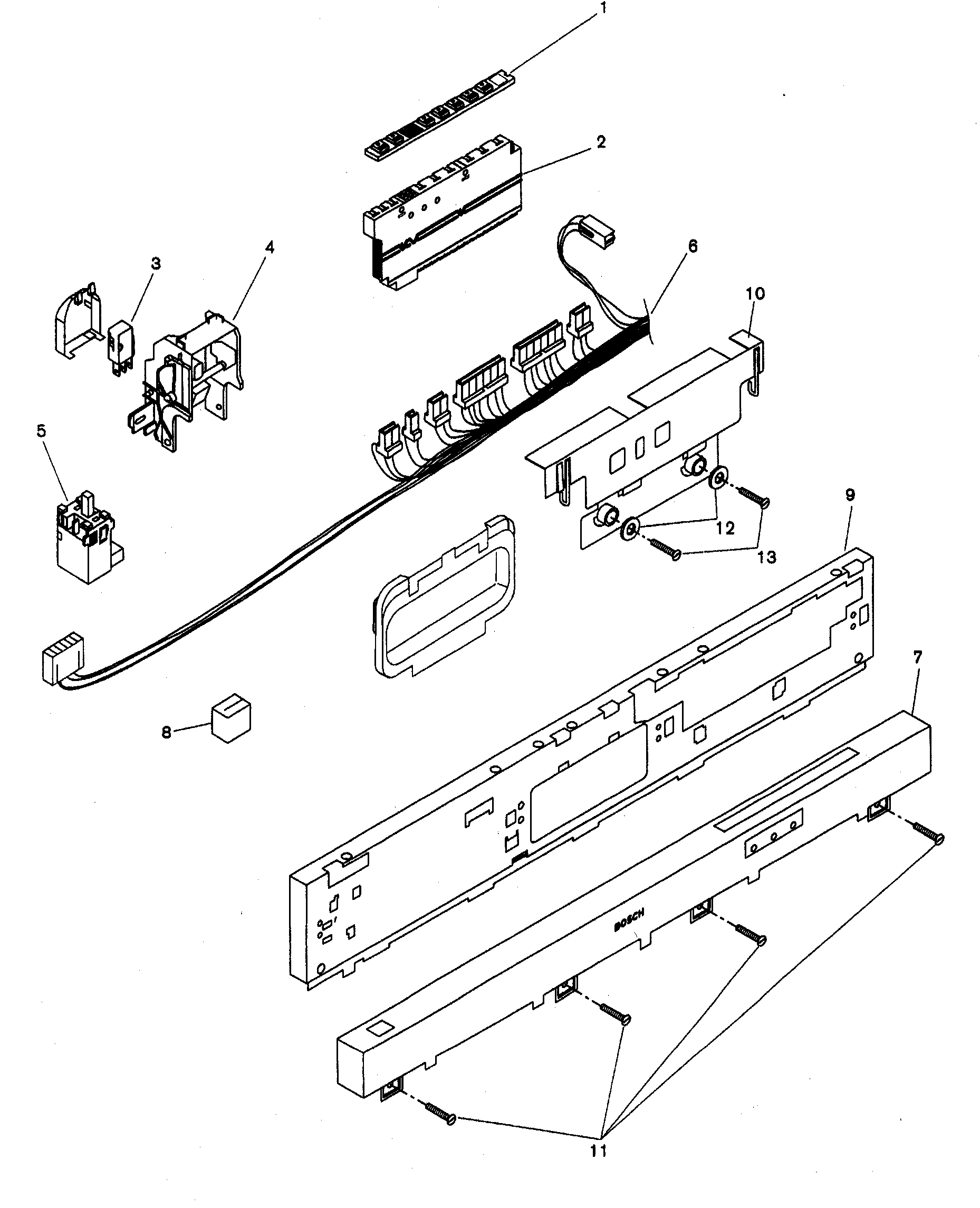
Lyle W,March 08, 2013The part number for the corresponding stainless steel outer door panel for that dishwasher is 478778. Here is a direct link for that part: The stainless steel control panel is part number 475235. Here is a link for that part:Be sure that you shut off the house circuit breaker for the dishwasher to completely disconnect electrical power before accessing internal components and replacing those parts.Remove the screws from the inner door panel to release the outer door panel and the fascia control panel.
One particular part of the book which has stuck with me and made a very emotional impression was the chapters on WW1 and WW2, especially the tables on the casualty counts from WW1 have haunted me ever since I read them. The numbers are mind-numbing and surreal. John merriman a history of modern europe 3rd edition.

May 12, 2017. IL to help you Install or Repair a Dishwasher. All Orland Park contractors are prescreened. Central A/C Install; Foundation Repair; Junk Removal; Kitchen. Some how the water is getting between the gutter and fascia board and I don. Leaking water between gutter and fascia board? My bosch dishwasher is. Fixing Bosch DishWasher: So my home dishwasher had been acting up for about a year now. It just started to get worse so I decided it was time to fix it. Problem: Dishwasher would start, run for about 5-10 minutes, and then shut off. It would stay off for about 20 minu.
You will need to transfer the components from the old fascia control panel to the new one. If you need more help with the replacement of those parts, let us know.1. FREE Standard Shipping on orders of $ or morePurchase requirement calculated before taxes and shipping charges and after other discounts have been applied and must be made in a single transaction.
Bosch Dishwasher Install Fascia Boards
Installing Roof Fascia Board
Cannot be applied to previous purchases and cannot be redeemed for cash. Valid for standard ground shipping within the continental United States and not valid for shipments to Alaska, Hawaii, Puerto Rico, Guam and the US Virgin Islands. Offer valid for online purchases only. In an event of a return, coupon savings may be deducted from your refund. Discount will be automatically applied during check-out.
Sears Holdings reserves the right to terminate or modify this offer at any time for failure to comply with its terms and/or due to any operational malfunction of the software, hardware or equipment required to process this offer. © 2013 Sears Brands, LLC.May not be used with any other coupon, associate discount, or during Family & Friends or Member events.